Skip to content
Products
STS8200 CROSS Series
STS8300
STS8600
Solutions
Analog & Power Test System
Analog/ Mixed-Signal Test System
Services
Software Update
Application Notes
Product Catalogue
Pattern Converter
Products
STS8200 CROSS Series
STS8300
STS8600
Solutions
Analog & Power Test System
Analog/ Mixed-Signal Test System
Services
Software Update
Application Notes
Product Catalogue
Pattern Converter
Products
STS8200 CROSS Series
STS8300
STS8600
Solutions
Analog & Power Test System
Analog/ Mixed-Signal Test System
Services
Software Update
Trainings
Application Notes
Product Catalogue
Pattern Converter
Corporate
Company Profile
Newsroom
Career
Contact Us
Products
STS8200 CROSS Series
STS8300
STS8600
Solutions
Analog & Power Test System
Analog/ Mixed-Signal Test System
Services
Software Update
Trainings
Application Notes
Product Catalogue
Pattern Converter
Corporate
Company Profile
Newsroom
Career
Contact Us
Corporate
Company Profile
Newsroom
Career
Contact Us
Corporate
Company Profile
Newsroom
Career
Contact Us
Search
Asset 2
Eng
Chinese (Simplified)
Jpn
Newsroom
Filter
Community
(2)
Events
(9)
News
(1)
Press Releases
(2)
AccoTEST Global at SEMICON India 2025
Inspiring Future Engineers: A Glimpse into Malaysia’s Semiconductor Industry
AccoTEST Celebrated 8000th Tester Delivery at SEMICON SEA 2025!
AccoTEST at SEMICON China: Advanced Semiconductor Testing for Next-Generation Innovations
Small Changes, Big Impact: UTeM Students Innovated for a Smarter Campus
Nurturing the Next Generation of Talent
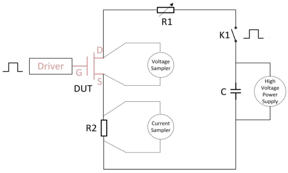
Study of Electrical Stress On p-GaN HEMT Through Automated Dynamic Switching Tests
Riding the Semiconductor Wave: AccoTEST’s Journey Across Vietnam and Japan
AccoTEST Celebrated 7000th Tester Delivery at SEMICON SEA 2024!
The Opening of AccoTEST Electronics Malaysia — a Production Plant in Penang
Page
1
Page
2